- Home
- »
- Manufacturer Direct Lines
- »
- TE-CO Products
- »
- Tooling Components
- »
- Eye Bolts
- »
- Latch Swing Bolts
- »
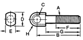
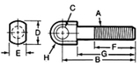
- TE-CO 43072 SS LATCH BOLT M8 X 1.25 X 50MM
TE-CO 43072 SS LATCH BOLT M8 X 1.25 X 50MM
Manufactured By: TE-CO
Manufacture Part Number: 43072
Product Number: ARP00117792
PRODUCT OVERVIEW:
Technical Specifications:
- Black Oxide Finish – steel only
- Case Hardened – steel only
- Material: 12L14 Steel or 303 Stainless Steel
- Thread Class 2A UNC
- Special sizes quoted upon request
- Metric sizes manufactured upon request
- Many sizes conform to TCMAI standards
This product is currently out of stock.
